|

一、适用范围:
1、爆炸性气体混合物危险场所:1区、2区。 2、爆炸性气体混合物:ⅡA、ⅡB、ⅡC。 3、温度组别:T1~T6。 4、防爆标志:ExdeⅡBT4、*ExdeⅡCT4。 注:要求ⅡC级请注明。
二、产品特点:
1、铝合金外壳,表面喷塑。 2、有多种规格的插座便于检修用电源。 3、可带有总开关,具有过载,短路等保护功能。
三、主要技术参数
|
回路数 |
额定电压(V) |
支路电流(A) |
防爆标志 |
极数 |
|
2、3、4、6 |
380/220 |
15、30 |
Exde Ⅱ BT6 * Exde Ⅱ CT6 |
|
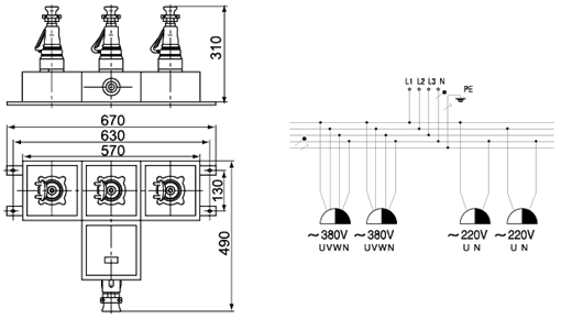
四、主要外形尺寸及安装形式:

|